Description
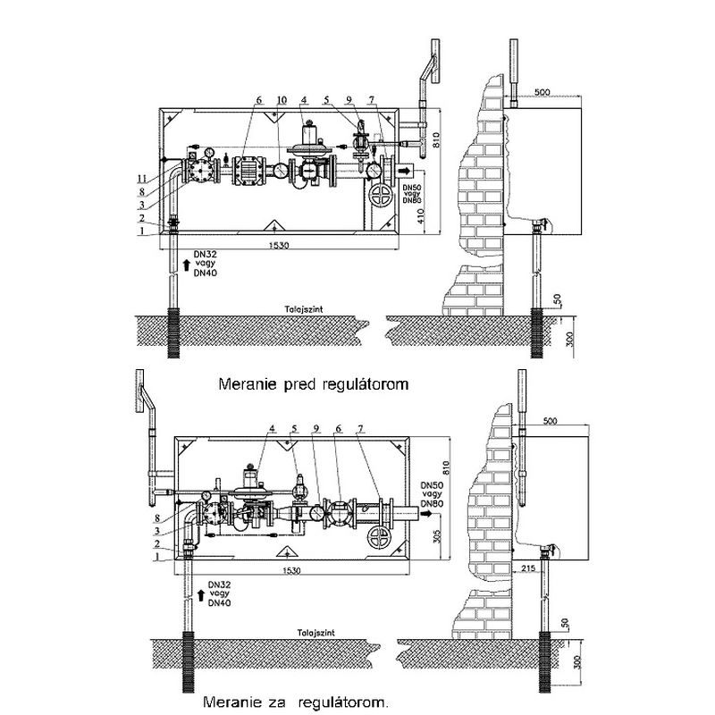
Jednoradové regulačné stanice slúžia na zásobovanie komunálnych, priemyseľných a poľnohospodárskych prevádzok zemným plynom v rozsahu 100-10.000 m3/h. Regulačná stanica spľňa požiadavky technických noriem. Zostava RS je bez obtoku. Z toho dôvodu
v prípade opravy RS,výmeny plynomeru alebo filtračnej vložky musí byť zariadenie odstavené z prevádzky. Toto usporiadanie regulačnej stanice znamená nižšiu vstupnú investíciu.
Plynomer je umiestnený pred regulátorom. Systém je vhodný aj pre obchodné meranie.
Legenda:
* dodáva sa na požiadanie
Technické údaje:
|
– max. vstupný pretlak: |
10 alebo 25 bar |
|
– výstupný pretlak: |
0,02….10 bar |
|
– typ regulátorov: |
CITYFLOW,typový rad MBL,typový rad MBM |
|
– plynomery: |
G 40, G 65, G 100, G 160, G 250, G 400, |
|
– pripojenie: rozmery: |
DN 40….DN 300,príruby |
|
– pripojenie: tlakové triedy: |
PN 16, PN 25 |
|
– Umiestnenie: |
Vonkajšie na betónovom základe |
|
– Médium: |
Odorizovaný zemný plyn,neagresívne plyny |
|
– Teplota média: |
0 °C ….. + 30 °C (+40 °C špeciálne prevedenie) |
|
– Teplota okolia: |
-20 °C … + 40 °C (+50 °C špeciálne prevedenie) |
|
– Hlučnosť v základnom prevedení: |
max. 75dB (A) |
|
-Hlučnosť s tlmičom hluku a izoláciou |
max.55dB (A) |
|
– Skriňa: |
Oceľový plech hr.2 mm,povrchová úprava farbením. |
|
– Skúšky: |
Pevnosti a tesnosti, radiografické skúšanie zvarov, výrobcom kontrolované nastavenie regulačných prvkov |
|
– Použité prístroje: |
Tlakomery podľa požiadavky noriem |
Pripojovacie možnosti: K prepočítavaču množstva:vstupný/výstupný pretlak,kontrola priechodnosti filtra, prepočítaná spotreba plynu, teplota plynu,signalizácia polohy bezpečnostných rýchlouzáverov,signalizácia úniku plynu,signalizácia polohy dverí otv./zatv.,iné podľa požiadaviek.
Servis:
Celoštátna servisná sieť v Maďarsku:Ústredie: 8800 Nagykanizsa, Erdész u. 28.
Tel: 30/216-5810
V Slovenskej republike:REVING-GAS,s.r.o.,Jesenského 319,925 21 Sládkovičovo
Tel. 00420 317842140








Reviews
There are no reviews yet.