Description
Použitie:
Regulačná stanica slúži na dodávku plynu pre komunálne,priemyseľné a poľnohospodárske podniky.
Regulačná stanica spĺňa požiadavky noriem a predpisov platných pre výrobu a prevádzku.
Zabudované armatúry (regulátor s bezpečnostným rýchlouzáverom,filter sú označené značkou CE.
Regulačná stanica môže byť vybavená plynomerom pre obchodné meranie.
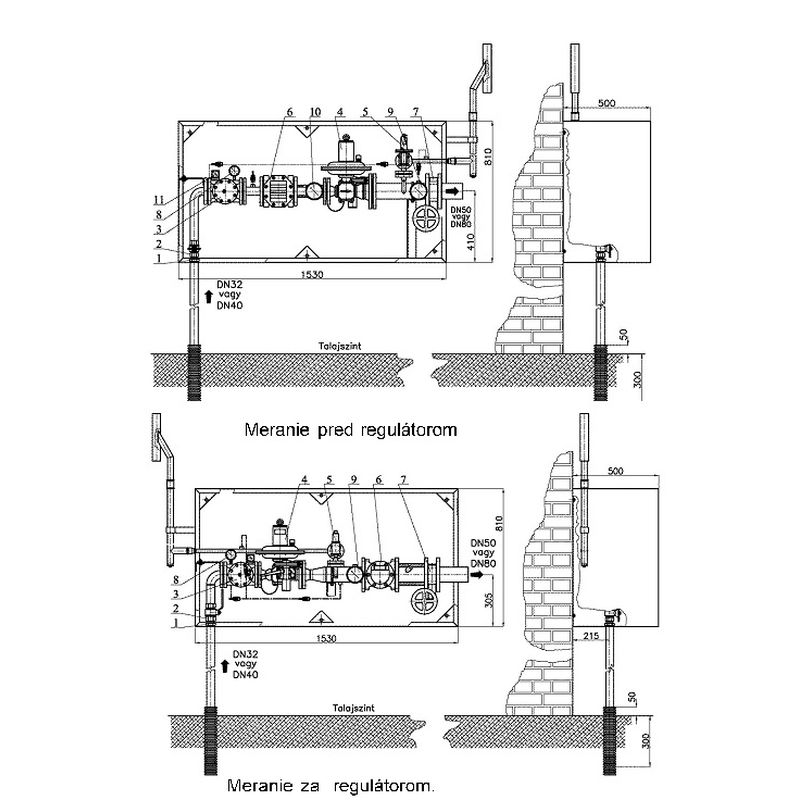
Popis podľa obrázkov:
1. Prechodka PE/oceľ
2. Uzáver na vstupe
3. Filter
4. Regulátor CITYFLOW (CF-15,CF-25) s rýchlouzáverom
5. Poistný ventil typ KBD,alebo KBE
6. Plynomer (turbínový,alebo s rot.piestami)
7. Uzáver na výstupe
8. Diferenčný tlakomer
9. Tlakomer na výstupe
Teplota okolia: -20 C – +40 C
Pripojenie na vstupe: potrubie 40 x 3,7 P10 KPE (EN 7908/2, DIN 8074/8075) ,alebo oceľová rúra
Výstup: DN50, alebo DN 80 oceľ, podľa EN 120/2, EN 99.
Regulačná stanica je umiestnená v OCEP skrini chránenej proti korózii.
Umiestnenie: na obvodovú stenu budov,alebo na betónový základ.
Servis:
REVING-GAS,s.r.o.,Jesenského 319,925 21 Sládkovičovo







Reviews
There are no reviews yet.